Is this in fact true? I would like to go ahead and make the subframe, but I can't really measure it myself since I destroyed bearing races of the front forks
Enfield Hatz subframe angles
Moderators: Dan J, Diesel Dave, Crazymanneil, Stuart
-
Sphere
- I luv the smell of Diesel...
- Posts: 976
- Joined: Sun Dec 30, 2007 7:45 pm
- Location: Leiden, Holland
- Contact:
Enfield Hatz subframe angles
Until now I have always assumed that the gearbox (side/bottom) in an Enfield is perfectly perpendicular/parallel to the Earth surface, and welding the gearbox plate to the motor mount plate should be done with a 90 degree angle.
Is this in fact true? I would like to go ahead and make the subframe, but I can't really measure it myself since I destroyed bearing races of the front forks
Is this in fact true? I would like to go ahead and make the subframe, but I can't really measure it myself since I destroyed bearing races of the front forks
'92 Enfield + Hatz 1B40: street legal, weld up stainless exhaust, check engine rpm and change final drive sprocket.
- Diesel Dave
- Site Admin
- Posts: 1016
- Joined: Sat Dec 02, 2006 1:21 am
- Location: Essex, UK
- Contact:
Re: Enfield Hatz subframe angles
In short the answer is yes!
It can vary according to tyre fitting
All the Hatz conversions seem to have the primary casing tilted upwards at the front - I suspect this is because the height of the crankshaft from the bottom of the motor.
Dave
It can vary according to tyre fitting
All the Hatz conversions seem to have the primary casing tilted upwards at the front - I suspect this is because the height of the crankshaft from the bottom of the motor.
Dave
-
Sphere
- I luv the smell of Diesel...
- Posts: 976
- Joined: Sun Dec 30, 2007 7:45 pm
- Location: Leiden, Holland
- Contact:
Re: Enfield Hatz subframe angles
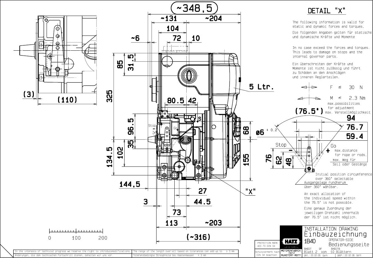
Hrm, strange, I've taken a look at Yanmar vs. Hatz 1B40 drawings, and I thought the height was one of the few traits that was similar. Maybe Altmann also has a tilted case then.
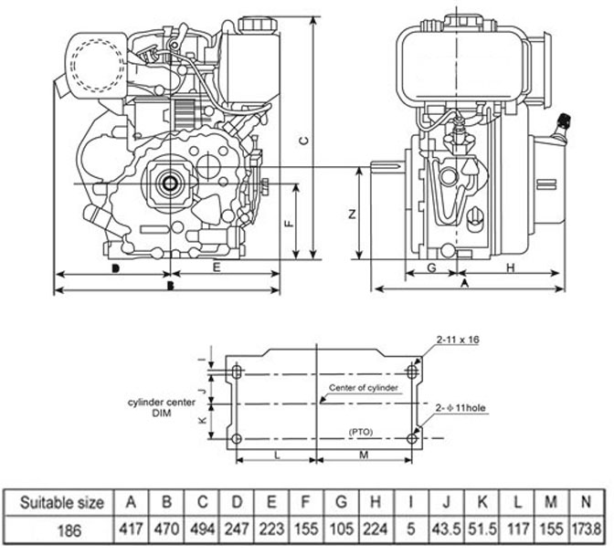
I can't look at the Yanmar drawings now, but for reference I added 1B40 vs. China clone from wiltec.info. Both seem to measure 155mm perpendicular from the baseplate to the centre of the crank.
I can't look at the Yanmar drawings now, but for reference I added 1B40 vs. China clone from wiltec.info. Both seem to measure 155mm perpendicular from the baseplate to the centre of the crank.
'92 Enfield + Hatz 1B40: street legal, weld up stainless exhaust, check engine rpm and change final drive sprocket.
-
Sphere
- I luv the smell of Diesel...
- Posts: 976
- Joined: Sun Dec 30, 2007 7:45 pm
- Location: Leiden, Holland
- Contact:
Re: Enfield Hatz subframe angles
Here's some pics of the mockup phase of the subframe. It has been subject to hours of careful coffee sipping and cookie eating with Nanko. OK, well, not hours, but you get the idea. I owe him a great deal of gratitude for offering his excellent workmanship and his amazing in-house shop.
'92 Enfield + Hatz 1B40: street legal, weld up stainless exhaust, check engine rpm and change final drive sprocket.
-
Sphere
- I luv the smell of Diesel...
- Posts: 976
- Joined: Sun Dec 30, 2007 7:45 pm
- Location: Leiden, Holland
- Contact:
Re: Enfield Hatz subframe angles
Here's a picture of the intended position for the headsteady. It is actually a piece from a Honda, don't tell the Enfield purists 
You can see the front tube has a knack, otherwise the engine would not slide/fit in.
You can see the front tube has a knack, otherwise the engine would not slide/fit in.
'92 Enfield + Hatz 1B40: street legal, weld up stainless exhaust, check engine rpm and change final drive sprocket.
-
Sphere
- I luv the smell of Diesel...
- Posts: 976
- Joined: Sun Dec 30, 2007 7:45 pm
- Location: Leiden, Holland
- Contact:
Re: Enfield Hatz subframe angles
Pictures of the finished subframe. At the front it's welded to the downtube, which has been bent outwards slightly and rewelded, then elongated. The engine is mated to an original gearbox, without using a Taurus shaft and it seems fine like that. Negligable tilting to the right, but nothing close to problematic. Perhaps some modification is needed of the foot change lever, but time will tell I guess.
When stood on the centerstand both wheels still touch the ground, I remember the rear wheel clearing it, but maybe I'm mistaken. Again I'm not bothered.
When stood on the centerstand both wheels still touch the ground, I remember the rear wheel clearing it, but maybe I'm mistaken. Again I'm not bothered.
'92 Enfield + Hatz 1B40: street legal, weld up stainless exhaust, check engine rpm and change final drive sprocket.